At Shanghai Optics, we use Zygo interferometers to accurately measure and quantify the surface figures of lenses. A transmission sphere transforms the Mainframe output beam into a precise spherical wavefront for the evaluation of spherical surfaces and lenses. A concave spherical surface is examined for surface figure and irregularity, i.e., the deviation from the best-fitting sphere, by placing its center of curvature coincident with the focus of the transmission sphere.
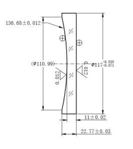
The diameter of the clear aperture is 110.99mm and radius of curvature is 136.68mm for the concave surface of the lens element. The figures below show the detailed lens parameters and the test result of the concave surface figure. The surface power error is 0.5 wave and irregularity RMS is 0.017 wave.

